產品詳細說明:
此系列包括:ZQA250,ZQA350,ZQA400,ZQA500,ZQA650,ZQA750,ZQA850,ZQA1000
一、概述
ZQA型減速器主要用于起重、礦山、通用化工、紡織、輕工等行業,其適用條件如下:
減速器齒輪傳動圓周速度不大于16米/秒
減速器高速軸的轉速不大于1500轉/分
減速器工作環境溫度為—40℃~+45℃.
減速器用于正、反兩向運轉。
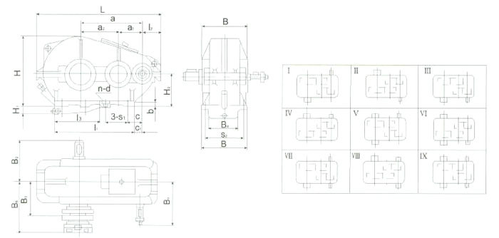
本減速器有九種傳比,九種配置型式和三種低速軸軸端形式。
二、ZQA型減速器外形、安裝尺寸


三、ZQA減速機的承載能力表


本文鏈接:http://www.bflml.cn/content/?94.html
相關標簽:中硬齒面減速
當前位置:

